產品介紹
【產品名稱:國標法蘭升降式止回閥】
產品簡介:
法蘭升降止回閥的結構一般與截止閥相似,其閥瓣沿著通道中以線作升降運動,動作可靠,但流體阻力較大,適用于輕小口徑的場合。升降式止回閥可直通式和立式兩種。直通式升降止回閥一般只能安裝在水平管路,而立式升降止回閥一般就安裝在垂直管路。
工作原理:
當介質由閥體箭頭所示流向進入閥體,介質的壓力作用在閥瓣上產生向上的推力,當介質推力大于閥瓣重力時,閥門打開。當閥后介質壓力作用在閥瓣上的力加上閥瓣自身重力大于閥前壓力作用在閥瓣上的力時,閥門關閉,阻止介質倒流。
產品特點:
1、選材考究,符合國內、外相關標準,材料的全面質量高。
2、法蘭升降式止回閥的密封副配對先進合理,閥瓣、閥座密封面采用鐵基合金或司太立(Stellite)鈷基硬質合金堆焊面成,耐磨、耐高溫、耐腐蝕、抗擦傷性能好,使用壽命長。
3、法蘭升降式止回閥按國家標準GB/T12235設計制造。
4、可采用各種配管法蘭標準及法蘭密封型式,滿足各種工程需要及用戶要求。
5、閥體材料品種齊全,墊片可根據實際工況或用戶要求合理選配,能適用于各種壓力、溫度及介質工況。可按用戶要求設計制造不同結構形式和連接形式的止回閥,為各種設備配套使用。
應用規范:

法蘭升降式止回閥主要零件材料及主要用途:
品牌:上華 | 型號:H41H、H41Y、H41W | 連接形式:法蘭、焊接 |
主體材料:碳鋼、不銹鋼、鉻鉬鋼 | 公稱通徑:40~600(mm) | 適用介質:水、油、蒸汽等 |
材質:WCB、CF8M、WC6、LCB等 | 密封形式:硬密封型 | 標準:國標 |
外形:中型\大型 | 流動方向:單向 | 驅動方式: |
零部件及配件:配件 | 用途:止回 | 壓力環境:常壓、高壓 |
工作溫度:常溫、高溫、低溫 | 類型(通道位置):二通式 | 系列: |
產品簡介:
法蘭升降止回閥的結構一般與截止閥相似,其閥瓣沿著通道中以線作升降運動,動作可靠,但流體阻力較大,適用于輕小口徑的場合。升降式止回閥可直通式和立式兩種。直通式升降止回閥一般只能安裝在水平管路,而立式升降止回閥一般就安裝在垂直管路。
工作原理:
當介質由閥體箭頭所示流向進入閥體,介質的壓力作用在閥瓣上產生向上的推力,當介質推力大于閥瓣重力時,閥門打開。當閥后介質壓力作用在閥瓣上的力加上閥瓣自身重力大于閥前壓力作用在閥瓣上的力時,閥門關閉,阻止介質倒流。
產品特點:
1、選材考究,符合國內、外相關標準,材料的全面質量高。
2、法蘭升降式止回閥的密封副配對先進合理,閥瓣、閥座密封面采用鐵基合金或司太立(Stellite)鈷基硬質合金堆焊面成,耐磨、耐高溫、耐腐蝕、抗擦傷性能好,使用壽命長。
3、法蘭升降式止回閥按國家標準GB/T12235設計制造。
4、可采用各種配管法蘭標準及法蘭密封型式,滿足各種工程需要及用戶要求。
5、閥體材料品種齊全,墊片可根據實際工況或用戶要求合理選配,能適用于各種壓力、溫度及介質工況。可按用戶要求設計制造不同結構形式和連接形式的止回閥,為各種設備配套使用。
應用規范:
設計與制造
|
GB/T12235
|
|
連接端尺寸
|
結構長度
|
GB/T12221
|
法蘭尺寸
|
JB/T79
|
|
檢驗與試驗
|
JB/T9092
|
|
材料
|
碳鋼
|
GB/T12229
|
不銹鋼
|
GB/T12230
|
|
合金鋼
|
Q/ZB66
|
|
標志
|
GB/T12220
|
|
供貨
|
JB/T7928
|

法蘭升降式止回閥主要零件材料及主要用途:
閥體
|
閥蓋
|
閥瓣
|
閥座
|
適用介質
|
適用溫度
(≤℃) |
WCB
|
WCB+D507Mo
|
WCB+D577
|
水、油品、蒸汽
|
425
|
|
ZG1Cr18Ni9Ti
|
0Cr18Ni9+
Stellite12 |
0Cr18Ni9+
Stellite6 |
銷酸類
|
200
|
|
ZG1Cr18Ni2Mo2Ti
|
CF8M+Stellite12
|
ZG1Cr18Ni2Mo2Ti
|
磷酸、醋酸類、混酸
|
200
|
|
ZG00Cr17Ni14Mo2
|
CF3M+Stellite12
|
CF3M+Stellite6
|
尿素、甲銨液、磷酸
|
200
|
|
ZG1Cr5Mo
|
ZG1Cr5Mo+
Stellite12 |
ZG1Cr5Mo+
Stellite6 |
水、油品、蒸汽
|
550
|
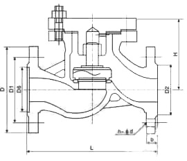
DN
|
L
|
D
|
Dl
|
D2
|
b
|
Z一φd
|
H
|
WT(Kg)
|
H41H一16C H41Y一16C H41Y一16P H41Y一16R H41Y一161
|
||||||||
15
|
130
|
95
|
65
|
45
|
14
|
4一φ14
|
77
|
3
|
20
|
150
|
105
|
75
|
55
|
14
|
4一φ14
|
77
|
4
|
25
|
160
|
115
|
85
|
65
|
14
|
4一φ14
|
80
|
5
|
32
|
180
|
135
|
100
|
78
|
16
|
4一φ18
|
85
|
7
|
40
|
200
|
145
|
110
|
85
|
16
|
4一φ18
|
95
|
9
|
50
|
230
|
160
|
125
|
100
|
16
|
4一φ18
|
105
|
10
|
65
|
290
|
180
|
145
|
120
|
18
|
4一φ18
|
120
|
20
|
80
|
310
|
195
|
160
|
135
|
20
|
8一φ18
|
130
|
30
|
100
|
350
|
215
|
180
|
155
|
20
|
8一φ18
|
140
|
39
|
125
|
400
|
245
|
210
|
185
|
22
|
8一φ18
|
155
|
50
|
150
|
480
|
280
|
240
|
210
|
24
|
8一φ23
|
180
|
70
|
200
|
600
|
335
|
295
|
265
|
26
|
12一φ23
|
211
|
231
|
250,
|
730
|
405
|
355
|
320
|
30
|
12一φ25
|
260
|
25l
|
300
|
850
|
460
|
410
|
375
|
34
|
12一φ25
|
323
|
395
|
H41H一25 H41Y一25 H41Y一25P H41Y一25R H41Y一251
|
||||||||
15
|
130
|
95
|
65
|
45
|
16
|
4一φ14
|
100
|
3.4
|
20
|
150
|
105
|
75
|
55
|
16
|
4一φ14
|
105
|
5
|
25
|
160
|
115
|
85
|
65
|
16
|
4一φ14
|
120
|
5.7
|
32
|
180
|
135
|
100
|
78
|
18
|
4一φ18
|
130
|
9.1
|
40
|
200
|
145
|
110
|
85
|
18
|
4一φ18
|
135
|
11.8
|
50
|
230
|
160
|
125
|
100
|
20
|
4一φ18
|
149
|
14.4
|
65
|
290
|
180
|
145
|
120
|
22
|
8一φ18
|
160
|
23
|
80
|
310
|
195
|
160
|
135
|
22
|
8一φ18
|
169
|
30
|
100
|
350
|
230
|
190
|
160
|
24
|
8一φ23
|
194
|
44
|
125
|
400
|
270
|
220
|
180
|
28
|
8一φ25
|
222
|
65
|
150
|
480
|
300
|
250
|
218
|
30
|
8一φ25
|
255
|
99
|
200
|
600
|
360
|
310
|
278
|
34
|
12一φ25
|
305
|
190
|
250
|
730
|
425
|
370
|
332
|
36
|
12一φ30
|
355
|
323
|
300
|
850
|
485
|
430
|
390
|
40
|
16一φ30
|
410
|
450
|
通徑DN
|
L
|
D
|
D1
|
D2
|
D6
|
b
|
Z一φd
|
H
|
WT(Kg)
|
H41H一40 H41Y一40 H41Y一40P H4lY一40R H41Y一401
|
|||||||||
15
|
130
|
95
|
65
|
45
|
40
|
16
|
4一φ14
|
100
|
4
|
20
|
150
|
105
|
75
|
55
|
51
|
16
|
4一φ14
|
105
|
5.5
|
25
|
160
|
115
|
85
|
65
|
58
|
16
|
4一φ14
|
120
|
6
|
32
|
180
|
135
|
100
|
78
|
66
|
18
|
4一φ18
|
130
|
12
|
40
|
200
|
145
|
110
|
85
|
76
|
18
|
4一φ18
|
135
|
14
|
50
|
230
|
160
|
125
|
100
|
88
|
20
|
4一φ18
|
149
|
18
|
65
|
290
|
180
|
145
|
120
|
110
|
22
|
8一φ18
|
160
|
27
|
80
|
310
|
195
|
160
|
135
|
121
|
22
|
8一φ18
|
169
|
36
|
100
|
350
|
230
|
190
|
160
|
150
|
24
|
8一φ23
|
194
|
50
|
125
|
400
|
270
|
220
|
188
|
176
|
28
|
8一φ25
|
225
|
75
|
120
|
480
|
300
|
250
|
218
|
204
|
30
|
8一φ25
|
255
|
119
|
200
|
600
|
375
|
320
|
282
|
260
|
38
|
12一φ30
|
305
|
217
|
250
|
730
|
445
|
385
|
345
|
313
|
42
|
12一φ34
|
360
|
365
|
300
|
850
|
510
|
450
|
408
|
364
|
46
|
12一φ34
|
415
|
310
|
|
|||||||||
通徑DN
|
L
|
D
|
D1
|
D2
|
D6
|
b
|
Z一φd
|
H
|
WT(Kg)
|
H41H一64 H4lY一64 H41Y一64P H41Y一64R H41Y一641
|
|||||||||
15
|
210
|
105
|
75
|
55
|
40
|
18
|
4一φ14
|
100
|
7
|
20
|
230
|
125
|
90
|
68
|
51
|
20
|
4一φ18
|
110
|
ll
|
25
|
230
|
135
|
100
|
78
|
58
|
22
|
4一φ18
|
125
|
13
|
32
|
260
|
150
|
110
|
82
|
66
|
24
|
4一φ23
|
140
|
14
|
40
|
260
|
165
|
125
|
95
|
76
|
24
|
4一φ23
|
168
|
20
|
50
|
300
|
175
|
135
|
105
|
88
|
26
|
4一φ23
|
170
|
23
|
65
|
340
|
200
|
160
|
130
|
110
|
28
|
8一φ23
|
188
|
37
|
80
|
380
|
210
|
170
|
140
|
121
|
30
|
8一φ23
|
205
|
46
|
100
|
430
<, /TD>
|
250
|
200
|
, 168
|
150
|
32
|
8一φ25
|
230
|
68
|
125
|
500
|
295
|
240
|
202
|
176
|
36
|
8一φ30
|
230
|
89
|
150
|
550
|
340
|
280
|
240
|
204
|
38
|
8一φ34
|
265
|
131
|
200
|
650
|
405
|
345
|
300
|
260
|
44
|
12一φ34
|
310
|
235
|